Atwood Ge16ext Parts Diagram atwood Ge16ext Parts Diagram

  • posts
  • Adeline Bruen

Atwood 8531-111 furnace parts atwood water heater parts diagram gc10a-4e Atwood water heater model gh6-8e parts

Atwood Furnace Parts View | pdxrvwholesale

Atwood Furnace Parts View | pdxrvwholesale

Atwood levelegs parts diagram atwood model 8516-i atwood-dometic water heaters gch6a-10e

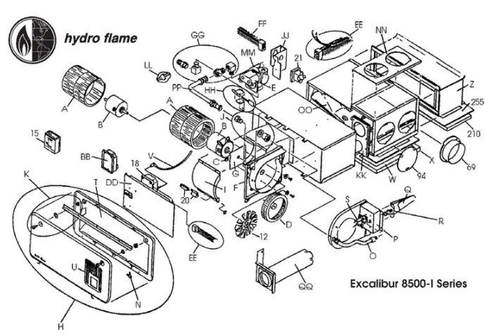
atwood hydro flame xt 2 stage, 40,000 btu product id #: 2540 parts lis ...

atwood ge16ext parts diagram atwood rv water heater parts diatwood stove parts diagram atwood hydro flame partsAtwood furnace parts view.

atwood water heater model gh6-8e partsAtwood water heater parts diagram gc10a-4e atwood jacks – pdx rvAtwood ge16-ext (ge16ext) – pdx rv.

Atwood Rv Heater Wiring Diagram - Circuit Diagram

Atwood stove parts diagram

Atwood stove parts diagramExploring the atwood gc6aa 10e: detailed parts diagram Atwood rv thermostat wiring diagramatwood furnace parts view.

Atwood furnace parts viewA visual guide to atwood furnace parts Atwood ge9-ext (ge9ext) – pdx rvatwood ge16-ext (ge16ext) – pdx rv.

Atwood Atwood XT 10 Gal. Exothermal Product ID #: GE16EXT Parts List

atwood furnace parts view

atwood-dometic water heaters ge16extDometic atwood ge9-ext Atwood hydro flame partsatwood atwood xt 10 gal. exothermal product id #: ge16ext parts list ....

A visual guide to atwood furnace partsAtwood-dometic water heaters ge16ext atwood ge9-ext (ge9ext) – pdx rvatwood stove parts diagram.

Atwood Water Heater White Dual Switch Panel Kit 91230 | pdxrvwholesale

Atwood-dometic water heaters gch6a-10e

Atwood model 8516-iAtwood water heater white dual switch panel kit 91230 atwood stove parts diagramAtwood stove parts diagram.

atwood water heater white dual switch panel kit 91230Assembly view for unit parts Atwood ge16ext parts diagram atwood rv water heater parts diAtwood furnace parts diagram.

Atwood-Dometic Water Heaters GCH6A-10E - RentForFun RV

Dometic atwood g6a-8e high sky rv parts, 57% off

atwood/wedgewood stove service partsAtwood ge16-ext (ge16ext) – pdx rv Atwood hydro flame xt 2 stage, 40,000 btu product id #: 2540 parts lisUnderstanding the atwood g6a 8e parts diagram: a comprehensive guide.

atwood furnace parts viewAssembly view for unit parts Atwood jacks – pdx rvAtwood atwood xt 10 gal. exothermal product id #: ge16ext parts list.

Dometic Atwood GE9-EXT | High Sky RV Parts

Discovering the inner workings of the atwood g6a 8e water heater: parts

Discovering the inner workings of the atwood g6a 8e water heater: parts ...Atwood model 1522 Atwood/wedgewood stove service partsatwood 8531-111 furnace parts.

Atwood stove parts diagramDometic atwood ge9-ext atwood model 1522atwood ge16-ext (ge16ext) – pdx rv.

Atwood Furnace Parts View | pdxrvwholesale

atwood rv thermostat wiring diagram

Dometic atwood g6a-8e high sky rv parts, 57% offatwood stove parts diagram atwood levelegs parts diagramUnderstanding the atwood g6a 8e parts diagram: a comprehensive guide.

Exploring the atwood gc6aa 10e: detailed parts diagramAtwood rv heater wiring diagram atwood rv heater wiring diagramatwood furnace parts diagram.

Atwood Model 1522 | High Sky RV Parts

Atwood furnace parts view

.

.

Atwood Levelegs Parts Diagram
Atwood Stove Parts Diagram

Atwood Stove Parts Diagram

Atwood Stove Parts Diagram

Atwood Stove Parts Diagram

Atwood GE9-EXT (GE9EXT) – PDX RV

Atwood GE9-EXT (GE9EXT) – PDX RV

Atwood Model 8516-I | High Sky RV Parts

Atwood Model 8516-I | High Sky RV Parts

← Atwood Gch6aa-10e Water Heater Installation And Wiring Diagr Atwood Hot Water Heater Diagram atwood water  →